<<
>>

Печи для сжигания отходов

Эти печи до настоящего времени применялись для сжигания отходов, которые не могли быть использованы в каком-либо процессе для других целей. Сжигаегчый материал может быть в виде газа, жидкости или твердого вещества.

Печи для сжигания газов предназначены для защиты атмосферы от ядовитых или вредных веществ. Печи для сжигания жидких отходов могут быть использованы для удаления органических примесей и регенерации неорганических. Наиболее широкое применение имеют печи для сжигания твердых отходов. Это могут быть компактные печи для сжигания нескольких килограммов отходов в час и очень большие печи для сжигания всех бытовых и промышленных отходов в крупных городах.

Многие производители этих печей предлагают в настоящее время различное оборудование для утилизации сбросной теплоты. В этом параграфе будут рассмотрены применяемые в настоящее время системы и описаны некоторые печи для сжигания отходов, выпускаемые в промышленных масштабах.

Печи для сжигания газов. Газы, загрязняющие окружающую среду и определяемые по запаху или визуально, в основном углеводороды, сжигают в печах двух основных типов; термических и каталитических. 132

Печь, показанная на рис. 6.31, состоит из трех основных частей: камеры поступления обезвреживаемого газа, горелки и топочной камеры. Печь, показанная на рисунке, была разработана в США фирмой Hirt — Hygrothearm. Она обеспечивает нормальное сжигание газов и характеризуется низкими эксплуатационными расходами 16.261. Часть поступающих газов проходит через горелку и используется в качестве воздуха для горения, что дает экономию до 30% затрат на топливо. Важной характеристикой печи является конструкция горелки, в данном случае применяется горелка с коротким широким пламенем, имеющим плоскую форму. Направляя газы вдоль фронта пламени по мере их поступления в печь, достигают быстрого нагрева, гарантирующего эффективное окисление сжигаемых газов.

Другой важной характеристикой является наличие порогов в печи, которые обеспечивают высокую турбулентность и соответственно повышение эффективности сжигания. При этом большое значение имеет правильное соотношение между количествами продуктов сгорания топлива и газа, который сжигается.

Печь сжигания газовых отходов фирмы Hirt—Hygrotherm

Рис. 6.31. Печь сжигания газовых отходов фирмы Hirt—Hygrotherm:

Ї — камера сжигания отходов; 2 — входная диафрагма; 3 — горелки; 4 — воздушный короб; 9 — камера зажигания из огнеупорного кирпича; 6 — воздушный зазор; 7 — кольцо; S — верегородка; 9 — выход из печи сжигания; 10— кожух; // —входной коллектор

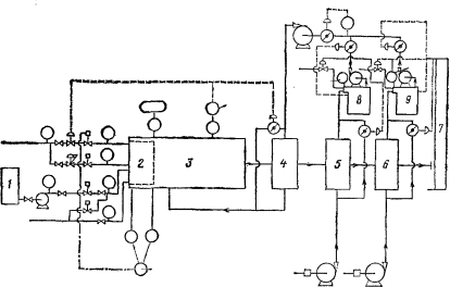
Целесообразность использования печей этого типа заключается в значительном сокращении потребности в топливе. Система, показанная на рис. 6.32, с печью фирмы Hirt — Hygrotherm была внедрена для сушки покрытий алюминиевой фольги. Эти печи работали на газе, а загрязненный органическим растворителем воздух выбрасывался непосредственно в атмосферу. В новой системе отработанный газ из печи 6 поступает в общий газосборник 5. Регуляторы давления обеспечивают нормальную работу системы при различной нагрузке. Вытяжной канал соединен сдутьевым вентилятором, который нагнетает газы через теплообменник 2, где температура их повышается до поступления в печь. После камеры сгорания 1 топочные газы снова попадают в теплообменник 2, проходят через два воздухоподогревателя 3 и 4 и отводятся через дымовую трубу. Воздух нагнетается дутьевыми вентиляторами в камеры 7 и 8.

Контроль за температурой в печи осуществляется с помощью следящей системы. Система регулирования позволяет работать как на газообразном топливе, так и с использованием теплоты сгорания загрязненного органическими растворителями воздуха. Контроль за тем-

Схема сжигания газовых отходов фирмы Hirt — Hygrotherm с исполь» зованием их в качестве источника теплоты для печей

Рис.

6.32. Схема сжигания газовых отходов фирмы Hirt — Hygrotherm с исполь» зованием их в качестве источника теплоты для печей:

3 — камера для сжигания отходов; 4 — подогреватель; 5, 6 — нагреватели свежего воздуха; 2 — входной коллектор; / — печь для еушкв фольги; 8, 9 — печн; / — дымовая труба

пературой в отдельных печах достигается также путем изменения по- ложения заслонки в отводной трубе вокруг теплообменника, а также клапана для подачи топлива к горелке. Обычно всю необходимую теплоту обеспечивают теплообменники, а топливо требуется только на период розжига.

При общей потребности в тепле для нагрева поступающего в печь воздуха 21,8 ГДж в час применение описанной системы обеспечивало поступление 19,7 ГДж в час, т. е. 90% общей потребности, при этом температура в печи была 700 °С, а выбросы в атмосферу имели предельно допустимую концентрацию.

Более эффективны установки фирмы Hirt — Hygrotherm, в которых сбросная теплота утилизируется для предварительного нагрева газа и далее органического теплоносителя (масла), который в свою очередь используется для нагрева воздуха, устраняет необходимость в дорогостоящих трубопроводах, вентиляторах большой производительности и обеспечивает гибкость в работе установки.

Не во всех печах для сжигания газов можно сжигать органические отходы. Например, двуокись серы (SO,2) — наиболее распространенные вредные выбросы, образующиеся в котлах, работающих на органическом топливе, печах обжига и т. д. Одним из путей их уменьшения является удаление из топлива большей части содержащейся серы, но в неко- 134

Рис. 6.33. Сравнение, эксплуатационных расходов для каталитической и термических печей:

Сравнение, эксплуатационных расходов для каталитической и термических печей

1 — каталитическое сжигание при 350° С. чнсло часов работы в году 8000; // — сжигание в термических печах при 750е С: / — газойль; 2 — нефі ь; 3 — ка гализатор

торых процессах десульфу- ризации образуется сернистый водород (H2S), который сам по себе является токсичным газом (6.27].

В процессе сжигания H,S с последующим регулируемым охлаждением, приводящим к каталитической реакции, можно получить чистую серу. Регулируемое охлаждение можно осуществлять путем подачи сбросной

теплоты из котла в камеру для сжигания. На нефтеперерабатывающем заводе в США производительностью 22,7 тыс. т в сутки отработанные газы из процесса десульфуризации охлаждают в четыре стадии с температуры 1393 до 191 °С, затрачивая 21,6 ГДж/ч. Количество получаемого при этом насыщенного пара равно 2,65 кг/с, температура питательной воды 118 °С. Это дает экономию нефти, эквивалентную 200 тыс. долл. в год, к которой необходимо еще добавить стоимость регенерированной серы.

Если обычную термическую печь для сжигания газов нельзя оборудовать утилизационной техникой, то предпочтительно применение каталитической печи. Катализатор ускоряет скорость химической реакции, не изменяясь сам во время процесса. Применение катализаторов в печах для сжигания газов может ускорить реакцию окисления, необходимую для преобразования органических веществ в углекислый газ и водяной пар. Поскольку сжигание газов с катализатором происходит при гораздо более низкой температуре (250—350°С по сравнению с 500—1000е С в термических печах), количество необходимой теплоты для обезвреживания газов значительно сокращается.

Сравнение эксплуатационных расходов для каталитической и термической печей, которое дает фирма Engelhard, приводится на рис. 6.33. Каталитическая печь работает при температуре 350 °С, в то время как в такой же термической печи температура должна достигать 850 С для нормального сжигания газов. Принимается во внимание и срок службы катализатора. Отмечено, что несмотря на то что срок службы ¦З мес нетипичен, все равно достигается экономия эксплуатационных .расходов по сравнению с термическим обезвреживанием.

Фирма Engelhard проявляет большой интерес к системам утилизации теплоты, применяемым именно для этих печей, особенно если в этих печах предусмотрен предварительный нагрев поступающих газов.

При применении эффективной системы утилизации теплоты обычно достигают 50%-ного снижения затрат на топливо и периода окупаемости 12 мес.

Печь для сжигания жидких отходов

Печь для сжигания жидких отходов. Аргументы в пользу утилизации сбросной теплоты печей сжигания жидких отходов такие же, как и для обычных термических печей сжигания газоьых отходов. Сжигаемым материалом может быть отработанный катализатор или жидкости, содержащие органические и неорганические вещества. При этом имеется также возможность регенерации неорганических солей.

Рис. 6.34. Печь для сжигания жидких отходов:

/ — горелка для сжигания жидких отходов; 2 — печь; 3 — подогреватель; 4 — котел-утилизатор; 5 — экономайзер

Печь для сжигания жидких отводов с большой установкой утилизации теплоты показана на рис. 6.34. В этой печи 22,9 кг/с отработанного газа охлаждается с температуры 1200 °С (печи Ыя сжигания жидких отходов часто работают при более высокой температуре, чем печи для сжигания газов) до температуры 168 °С. Количество перегретого пара с давлением 1,930 МПа и температурой 400 °С равно 10,4 кг/с [6.271. Экономия топлива в денежном выражении составляет 500 тыс. ф. ст. в год.

Разработанная японской фирмой Nittety Chemical Engineering и внедренная в Великобритании фирмой Henry Balfour печь для сжигания жидких отходов снабжена горелкой, расположенной в верхней части основной камеры над форсунками для разбрызгивания обезвреживаемой жидкости. Продукты горения и реакции поступают вниз в закалочную ванну, в которой газы охлаждаются примерно до 90°С. Содержимое закалочной ванны можно обработать путем кристаллизации, фильтрации и сушки, если необходимо регенерировать материалы. Сбросная теплота может быть использована для предварительного нагрева воздуха, поступающего в зону горения, или в испарителе для испарения поступающей жидкости [6.28].

Печи для сжигания твердых отходов хорошо известны, и их использование для получения теплоты и энергии описано в технической литературе [6.29, 6.301.

Как показано ниже, твердые отходы содержат большое количество энергии, и если они не могут быть вторично использованы, то экономичным решением проблемы их обезвреживания являются печи сжигания с утилизацией сбросной теплоты:

Содержание эквивалентного количества жидкого топлива в 1 т отходов

Отходы

Пыль              ,              86

Бумага (15% влаги)              286

Древесина (20% влаги)              323

Поливинилхлорид               524

Уголь (с теплотой сгорания 27 900              кДж/кг)              656

Полистирол .              .              .......              870

Каучук              955

Современная печь для сжигания твердых отходов с различным вспомогательным оборудованием показана на рие. 6.35. Эта установка, известная под названием Consumat и изготовленная фирмой Robert Jenkins Systems Ltd., имеет камеру сгорания с огнеупорной футеровкой, в которую поступают твердые отходы и подается воздух. Первоначально отходы нагревают с помощью небольших вспомогательных горелок, и они подвергаются процессу пиролиза при температуре до 800 °С. По сравнению со сжиганием, проводимым в присутствии больших количеств воздуха, этот процесс дает возможность разлагать отходы при стационарном режиме, сокращая таким образом унос частиц в дымовую трубу.

Для дополнительной зашиты окружающей среды от загрязнения твёрдые частицы, содержащиеся в уходящих газах, окисляют путем нагрева до температуры 1000—1200 °С, используя небольшую горелку. Затем газы охлаждают до температуры 800 °С путем смешивания их о холодным воздухом до сброса в атмосферу.

Как показано на рис. 6.35, к газоходу может быть присоединена система утилизации сбросной теплоты газов для получения горячей воды или пара. Система Consumat с небольшими модификациями может быть использована для сжигания жидких отходов. Утилизационная установка может иметь производительность 3,5 т пара на 1 т обезвреживаемых

Применение циклонного сепаратора для защиты котла-утилизатора от загрязнения

Гис. 6.36, Применение циклонного сепаратора для защиты котла-утилизатора от загрязнения:

/ — печь для сжигания твердых отходов; 2 —циклонный сепаратор; 3 — котел

отходов. Фирма считает, что утилизация энергии становится экономически выгодной, если количество отходов превышает 150 кг/ч. Обычно утилизиоуют 50—60% теплоты, используемой для сжигания отходов. При необходимости в основную камеру сжигания могут подаваться и жидкие отходы. Так как в печах для сжигания твердых отходов используют большие объемы воздуха, то для уменьшения переноса твердых частиц необходимо между камерой сгорания и оборудованием для утилизации теплоты устанавливать сепаратор (рис. 6.36). В этих случаях [6.27] необходимо применять паровые котлы с дымогарными трубами и высокими скоростями газа для предотвращения осаждения неотсепа- рированных твердых частиц.

В США опубликован детальный анализ загрязнения парового котла на отходящих газах, установленного в нижней части печи для сжигания различных жидкостей [6.31]. Температура отходящих газов на выходе из вторичной камеры сжигания колебалась в пределах 800— 1150ПС из-за изменения состава отходов, частью которых был хлорированный растворитель. При сжигании этих отходов получали хлористый водород, содержание которого в отработанном газе составляло 0,1—5% (по массе). Хлористый водород вместе с летучей золой и был основным источником загрязнения. После 600 ч испытаний было установлено, что экранные трубы котла из углеродистой стали вполне удовлетворительно выдерживают режим работы при условии регуляр- 138 пых продувок котла и очистки поверхностей труб. Был рекомендован минимальный диаметр труб 75 мм, поскольку трубы меньшего диаметра подвержены большему загрязнению. Анализ данных по летучей золе показал, что циклон, установленный в верхней части котла, так же как и в печи, показанной на рис. 6.36, значительно сократил бы степень повреждения и загрязнения труб. Было также предложено поддерживать сравнительно высокую скорость газа (20—30 м/с) в котле, чтобы свести до минимума осаждение золы на поверхностях нагрева.

<< | >>
Источник: Рей Д.. Экономия энергии в промышленности: Справочное пособие для инженерно-технических работников. Пер. с англ. — М.: Энергоатомиздат,1983. 208 с., ил.. 1983

Еще по теме Печи для сжигания отходов:

  1. Печи для сжигания отходов
  2. Основные способы сжигания бытовых отходов
  3. Глава 17. Сжигание отходов в шлаковом расплаве
  4. Отходы производства Общие сведения об отходах производства
  5. Печи
  6. Монтаж сооружений комплекса доменной печи.
  7. Системы сжигания топлива
  8. Методы регенерации отходов
  9. Твердые отходы
  10. Классификация отходов
  11. Отходы производства
  12. Проблемы отходов на железнодорожном транспорте
  13. Каковы полномочия РФ в области обращения с отходами?
  14. Кому принадлежит право собственности на отходы?
  15. Накопление отходов антропогенной деятельности