<<
>>

Лекция 15. Биполярный транзистор как активный четырехполюсник. h-параметры транзистора

Параметры транзистора, входящие в Т-образную схему замещения (рис. 4.10), непосредственно характеризуют физические свойства используемой трехслойной полупроводниковой структуры. Они могут быть рассчитаны по геометрическим размерам слоев и параметрам материала, из которого изготовлен транзистор.

Однако прямое их измерение невозможно, поскольку границы раздела слоев и переходов структуры недоступны для подключения измерительных приборов. По этой причине в качестве измеряемых параметров транзистора выбраны те, которые отражают свойства транзистора как четырехполюсника (точнее, трехполюсника).

Транзистор можно представить в виде линейного четырехполюсника, если в качестве измеряемых токов и напряжений принимать относительно небольшие их приращения, накладывающиеся на постоянные составляющие. Такие ограничения, как указывалось, приходится принимать во внимание ввиду того, что входные и выходные характеристики транзистора нелинейны и параметры транзистора зависят от режима его работы по току и напряжению входной и выходной цепей. Для небольших приращений (малых сигналов) напряжений и токов параметры транзистора как четырехполюсника связаны линейной зависимостью как между собой, так и с физическими параметрами его Т-образной схемы замещения.

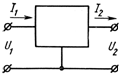
Связь между входными (U1, I1) и выходными (U2, I2) напряжениями и токами четырехполюсника (рис. 4.11) выражается системой двух уравнений. Выбрав два из входящих в эту систему параметров за независимые переменные, находят два других.

Рис. 4.11. К определению параметров транзистора как четырехполюсника

Для транзистора как четырехполюсника в качестве независимых переменных обычно принимают приращения входного тока ΔI1, и выходного напряжения ΔU2, а приращения входного напряжения ΔU1 и выходного тока ΔI2 выражают через так называемые h-параметры транзистора:

ΔU1 = h11ΔI1 + hl2ΔU2, (4.18)

ΔI2 = h21ΔI1 + h22ΔU2.

(4.19)

Параметры, входящие в уравнения (4.18), (4.19), определяют: h11 = ΔU1 / ΔI1 — входное сопротивление транзистора при неизменном выходном напряжении (ΔU2 = 0); h21 = ΔI2 / ΔI1 — коэффициент передачи тока при неизменном выходном напряжении (ΔU2 = 0); h12 = ΔU1 / ΔU2 — коэффициент обратной связи по напряжению при неизменном входном токе (ΔI1 = 0); h22 = ΔI2 / ΔU2 — выходную проводимость транзистора при неизменном входном токе (ΔI1 = 0).

Конкретные значения h-параметров зависят от схемы включения транзистора, т.е. от того, какие токи и напряжения являются входными и выходными. В справочниках обычно приводят h-параметры, измеренные в схеме ОБ для средней полосы частот при типовых значениях постоянных составляющих тока и напряжения.

Установим связь h-параметров транзистора с их физическими параметрами в схеме ОБ.

С этой целью воспользуемся схемой рис. 4.10, а. Примем в ней напряжение εuкб = 0, переменные составляющие заменим приращениями: uэб = ΔU1, iэ = ΔI1, uнб = ΔU2, iк = ΔI2, а ток iб выразим через входной ток: iб = (1 – α)ΔI1.

Для входной цепи транзистора (см. рис. 4.10, а) при ΔU2 = 0 имеем

ΔU1 = ΔI1[rэ + (1 – α)rб],

откуда

h11 = rэ + (1 – α)rб. (4.20)

Для того же режима (ΔU2 = 0) ток выходной цепи

ΔI2 = α ΔI1

h21 = α. (4.21)

В отсутствие приращений входного тока (ΔI1= 0) ток в выходной цепи

ΔI2 = ΔU2(rк(б) + rб) ≈ ΔU2 / rk(б)

или

h22 = 1 / rк(б). (4.22)

Для этого же режима напряжения на входе и выходе соответственно равны

ΔU1 = ΔI2rб, ΔU2 ≈ ΔI2rк(б) ,

Откуда

h12 ≈ rб / rк(б). (4.23)

Полученные соотношения для h-параметров используем для выражения физических параметров транзистора через его h-параметры:

rэ = h11 – (1 – h21)h12 / h22,

rб = h12 / h22,

rк(б) = 1 / h22,

α = h21. (4.24)

<< | >>
Источник: Руденкова В.И.. ЭЛЕКТРОННЫЕ ПРИБОРЫ. Лекция. 2006

Еще по теме Лекция 15. Биполярный транзистор как активный четырехполюсник. h-параметры транзистора:

  1. Лекция 12. Структура и устройство биполярных транзисторов. Принцип действия биполярного транзистора и его основные параметры
  2. Лекция 14. Схема замещения биполярного транзистора в физических параметрах
  3. Лекция 13. Статические вольт-амперные характеристики биполярного транзистора
  4. Лекция 17. МДП-транзисторы
  5. Лекция 16. Транзисторы с управляемым р-п-переходом
  6. §3.19. ТРАНЗИСТОР
  7. Лекция № 9. Регулирование параметров состава и качества
  8. Лекция 6. Назначение и классификация. Общие параметры диодов
  9. Абраменкова Е. М. и др.. Оценка основных параметров холтеровского мониторирования ЭКГ. Лекция, 2013
  10. Время как параметр консультативного процесса
  11. 7. Функциональная локализация нарушения как параметр психического дизонтогенеза.
  12. Основные параметры, характеризующие общество как социальную систему
  13. Лексика с точки зрения активного и пассивного запаса. Активный словарь.
  14. Определение взаимосвязи между конструктивными параметрами барабана смесителя и технологическими параметрами
  15. 10. Характер межфункциональных взаимодействий как параметр психического дизонтогенеза.
  16. § 2. Учение как процесс сознательного и активного усвоениязнаний учащимися
  17. Биполярная установка
  18. Активные разломы как геоэкологический фактор